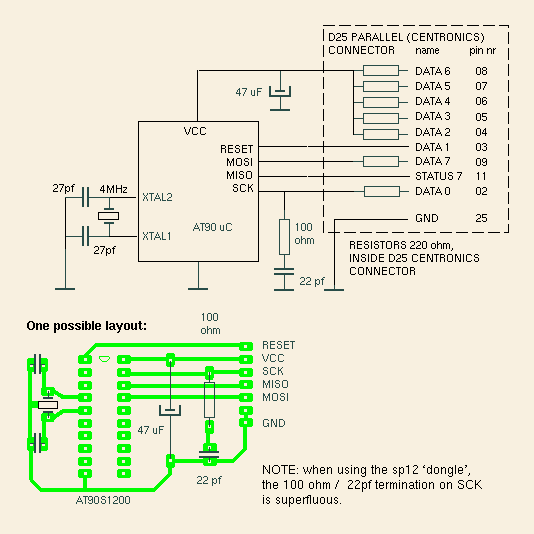
AVR SP12 programmer for OpenBSD

I've made a port of AVR SP12 programmer to OpenBSD with some impovements and clean-up.

It requires kern.securelevel ≤ 0 or machdep.allowaperture > 0 for proper function. (see sysctl(3) for details)

Source: src/sp12

image
By Dimitri Sokolyuk
Related articles